栅极驱动光耦的定义与定位
在电力电子领域,如变频器、新能源汽车电控系统及工业大功率电源设备中,隔离式栅极驱动器是一个重要组成部分,特别是在MOSFET或IGBT的应用中,它能够提供安全、高效的栅极控制。栅极驱动光耦是一种集成光电隔离与功率放大功能的关键器件,主要用于连接并隔离低压控制电路与高压功率电路。此类光耦适合驱动功率IGBT和 MOSFET,较高的输出电压能达到功率器件的栅极电压驱动要求。其核心特点及优势如下:
- 高隔离电压:可实现 2500Vrms 以上的隔离电压,满足高压系统的安全规范;
- 强抗干扰能力:光传输方式不受外部电磁场(EMI)影响,保证信号在噪声环境下的传输完整性;
- 封装多样化:封装形式和引脚布局应适应不同的应用需求,如板级空间限制、散热要求以及与其他组件的互连;
- 高可靠性:无机械触点设计使其使用寿命更长,在- 40℃~125℃宽温域内可稳定工作,适配工业等严苛环境。
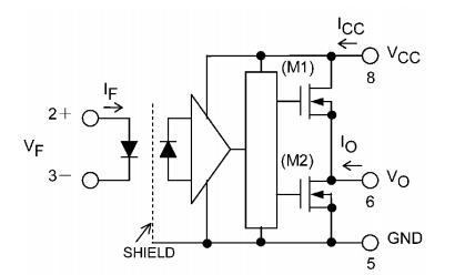
内部结构与工作原理

栅极驱动光耦内部结构示意图
栅极驱动光耦由一个发光二极管(LED)和一个集成了驱动电路的光电探测器(通常是光电二极管+放大电路)组成。
它的工作过程其实很简单,就像一套 “信号接力 + 放大” 的组合:
- 先靠低压控制信号驱动输入侧的发光二极管(LED),把电信号变成光信号;
- 光信号通过绝缘介质传到接收端,被光敏器件接收后转换为相应的推挽式脉冲小功率信号;
- 最后该电流信号由内部集成的高速驱动电路进行功率放大,形成推挽式脉冲大功率信号,输出符合IGBT栅极要求的电压与电流,直接控制IGBT的开启和关闭。

栅极驱动光耦工作原理流程图
核心功能与应用场景
栅极驱动光耦是伺服电机驱动器与工业变频器的关键器件,其内部集成核心功能可拆解为两部分:
- 通过光信号传输实现输入与输出侧的电气隔离,防止高电压和电流对控制电路的影响;
- 把微弱控制信号进行放大,使其有足够的电压和电流来驱动IGBT,能快速给IGBT栅极的电容充放电,保障IGBT能稳定地导通与关断。
典型应用场景
- 伺服电机
光耦负责传输驱动信号至IGBT/SiC MOSFET等功率器件;快速传信号保障电机高精度控速与定位,隔离电磁干扰、保护芯片,减少电机抖动、定位偏差。
- 工业逆变器
光耦承担传输PWM信号,控制IGBT等开关管的导通与关断,实现电压与频率调节;同时把低压控制侧与高压功率侧隔离开,防高压串扰,保障安全;并能适应工业高低温、强干扰环境的恶劣工况。