
英国 ISOCOM Components 2004 Ltd 全新推出 ISPQ9291X 与 ISPQ9185X 两款新一代汽车级光耦合器,产品专为电动汽车系统、高可靠性工业自动化等恶劣汽车环境量身打造,凭借卓越的信号传输能力与抗干扰性能,为多领域提供更稳定的信号与功率控制解决方案。
ISPQ9291X:高性能信号传输器件

ISPQ9291X 是一款高性能单通道光耦合器,采用 SSOP4 表面贴装封装,核心优势在于可实现稳定的信号传输与优异的抗干扰效果。其 3750Vrms 的高隔离等级,能有效抵御复杂电气噪声环境的干扰,保障设备在严苛工况下的稳健运行。

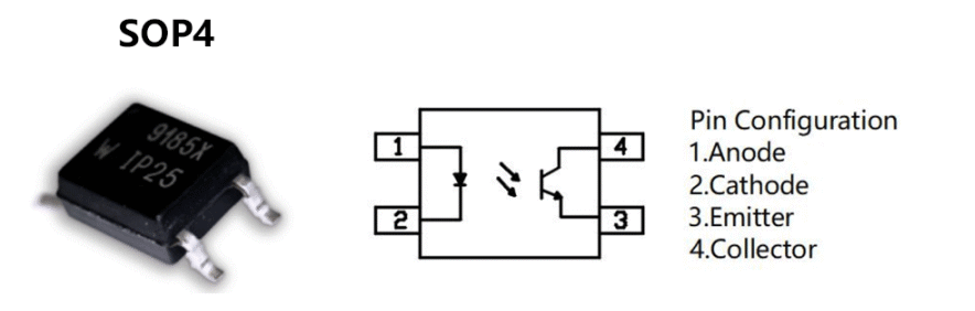
ISPQ9185X :高适配性空间优化选择

ISPQ9185X 同样为高性能单通道光耦合器,选用SOP4表面贴装封装,在具备可靠信号传输与抗干扰性能的同时,更能适配对空间要求严苛的电路板布局。3750Vrms 的隔离等级,使其在高电噪声场景中依旧能保持出色的工作表现。

关键特性
- 合规与认证,包括AECQ-102、UL1577、VDE DIN EN60747-5等项行业标准认证,符合车规及工业级品质要求,保障产品兼容性与可靠性
- 工作温度范围覆盖-55 ~ 125°C,轻松应对极端高低温工况,适配汽车、工业等复杂应用环境
- 电流传输比(CTR)覆盖50%~600%,可灵活匹配不同场景的信号驱动与传输需求
- 低工作电流,高隔离电压>3750Vrms,能有效隔绝电路间的电磁干扰,抵御电气噪声
应用领域
两款光耦适配不同封装需求,兼顾可靠性与场景适配
- 电动汽车车载及充电系统
- 高可靠性工业应用
- 电池管理系统(BMS)
- 可再生能源逆变器
- 数据通信和 IT 设备
购买渠道
作为ISOCOM官方授权代理商,我方不仅为客户提供100%正品保障,更配备专业的技术支持团队。
以下为ISOCOM热销型号,欢迎咨询

应用场景
Isocom Components光耦广泛应用于工业控制、电源设备、汽车电子、医疗设备、消费电子等核心领域,覆盖从低压信号隔离到高压功率控制的全场景需求。
